卓越品质 科技创新
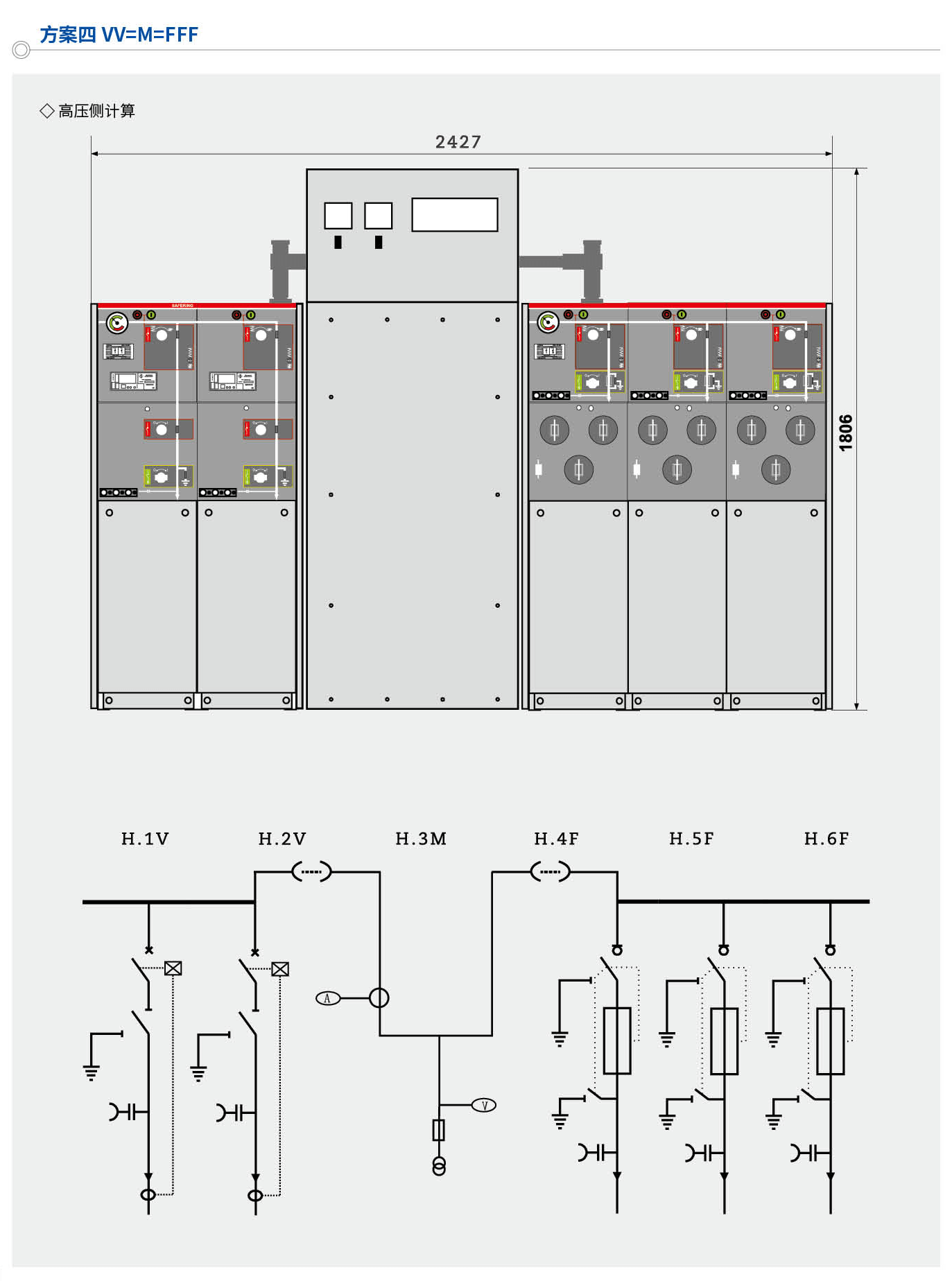
RM6-40.5/630-25全封闭全绝缘充气式环网开关设备
产品简介
RM6-40.5/630-25全封闭全绝缘充气式环网开关设备,广泛用于35kV/24kV配电系统,是城乡各类用户变配电系统的首选开关产品。开关柜为模块化单元模式,可根据不同用途进行组合:由固定式单元组合与可扩展型单元两大类,满足各种变电站对紧凑型开关柜灵活使用的需要。